Skip to main content
Toggle navigation
Unternehmen
Leistungen
CAD
Referenzen
Mehrspindelbohrköpfe
Spindel Baugruppen
Vorrichtungen
Bearbeitungseinheiten
Prüf- und Messeinheiten
Handhabungstechnik
Transport
Maschinenumbauten
Werkzeug- und Prozesspläne
Fertigung und Montage
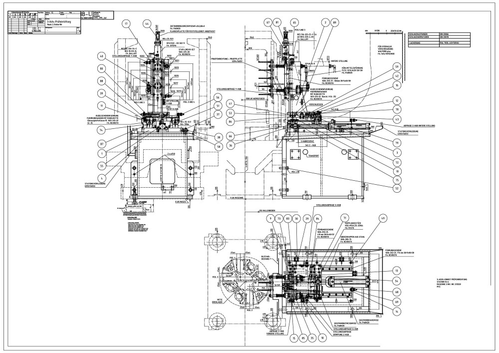
3-Achsprüfeinheit
25. November 2015
25. November 2015
Kirchner
Vorherige
Nächste