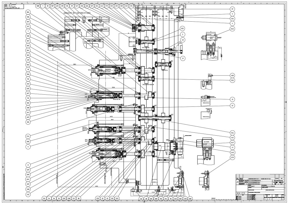
MSBK/MSGK – 44spindlig mit Orbiteranschluss 25. November 20157. Dezember 2015 Kirchner Nächste MSBK/MSGK – 44spindlig mit Orbiteranschluss