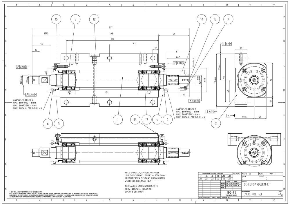
Schleifspindel- Einheit 25. November 201525. November 2015 Kirchner Vorherige Nächste Schleifspindel- Einheit